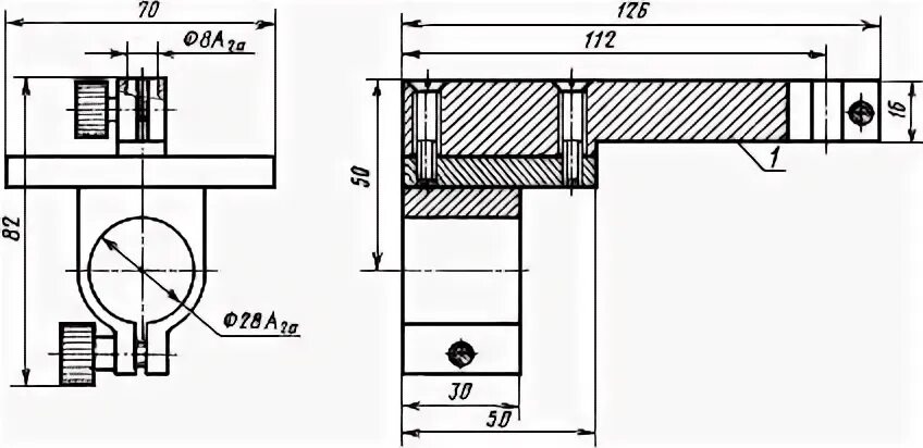
Крепление индикатора типа