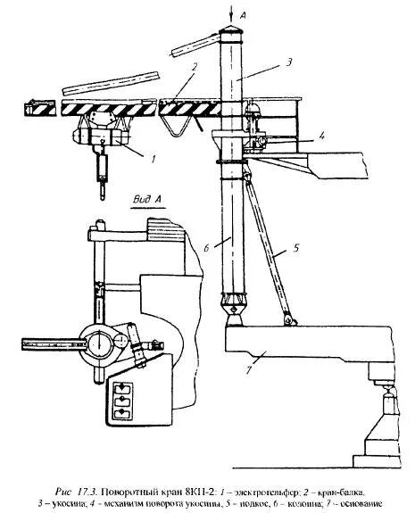
Кп 8 2