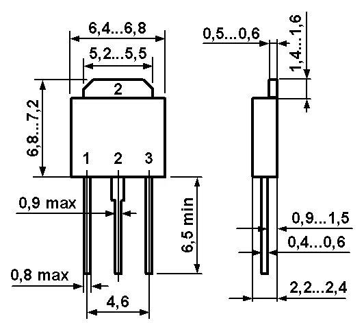
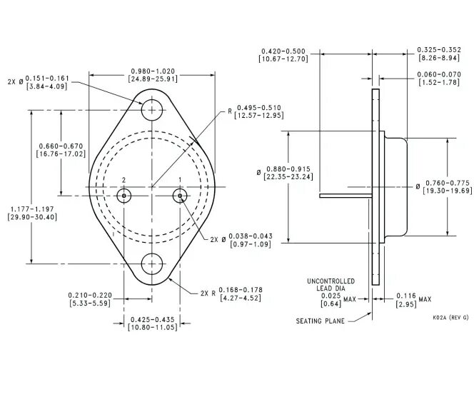
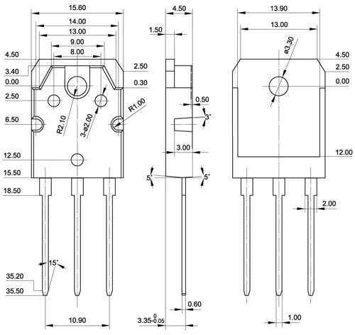
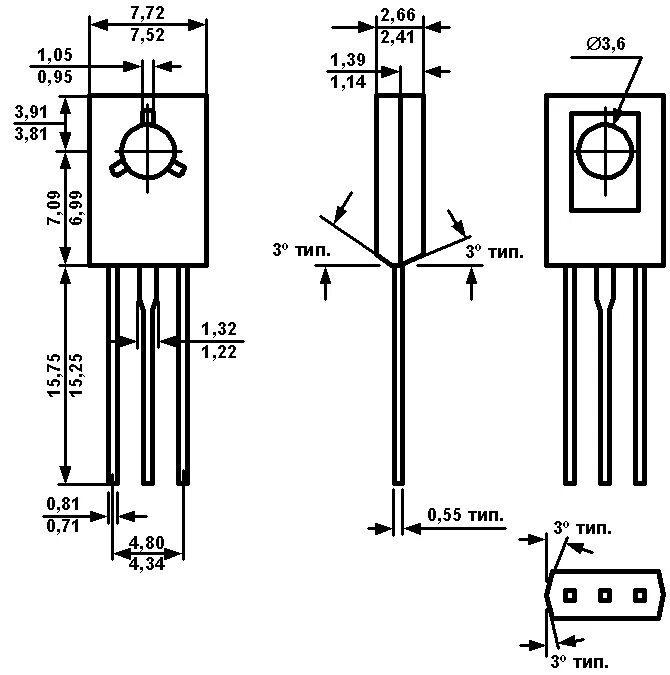
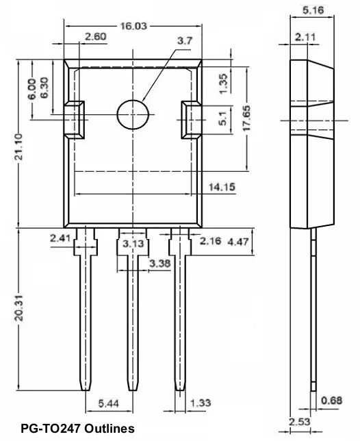
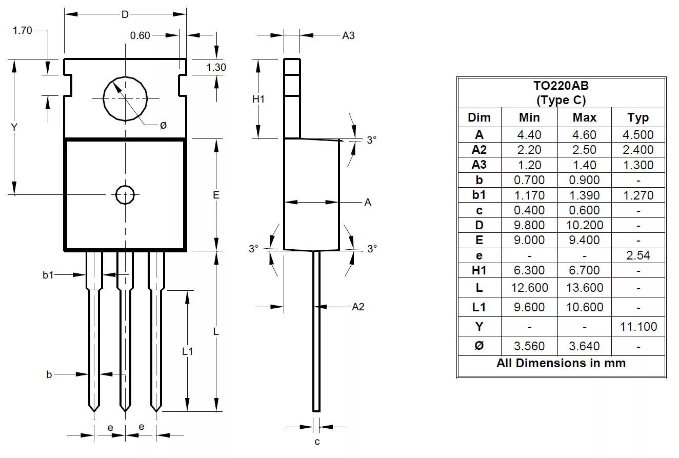
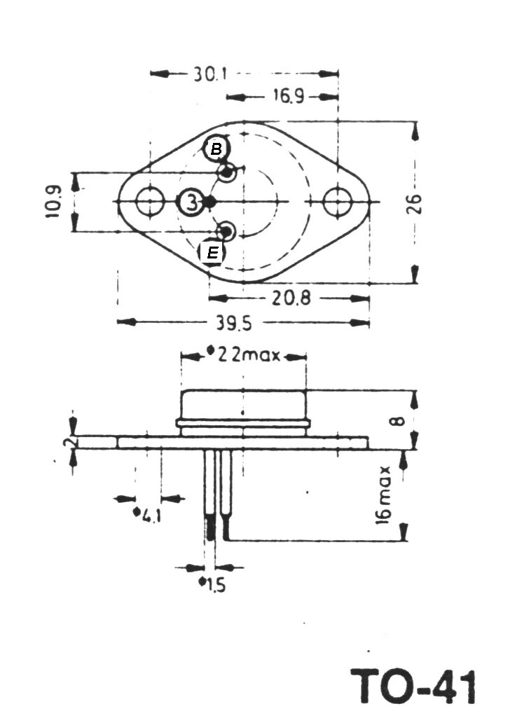
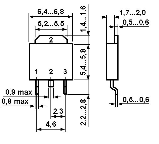
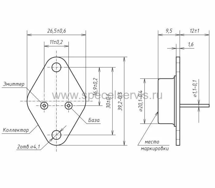
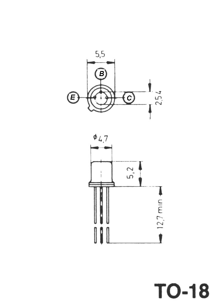
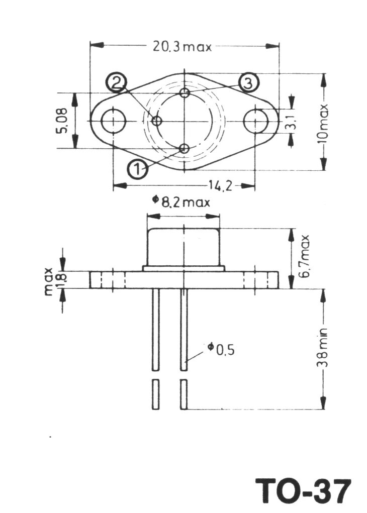
Корпус то 2