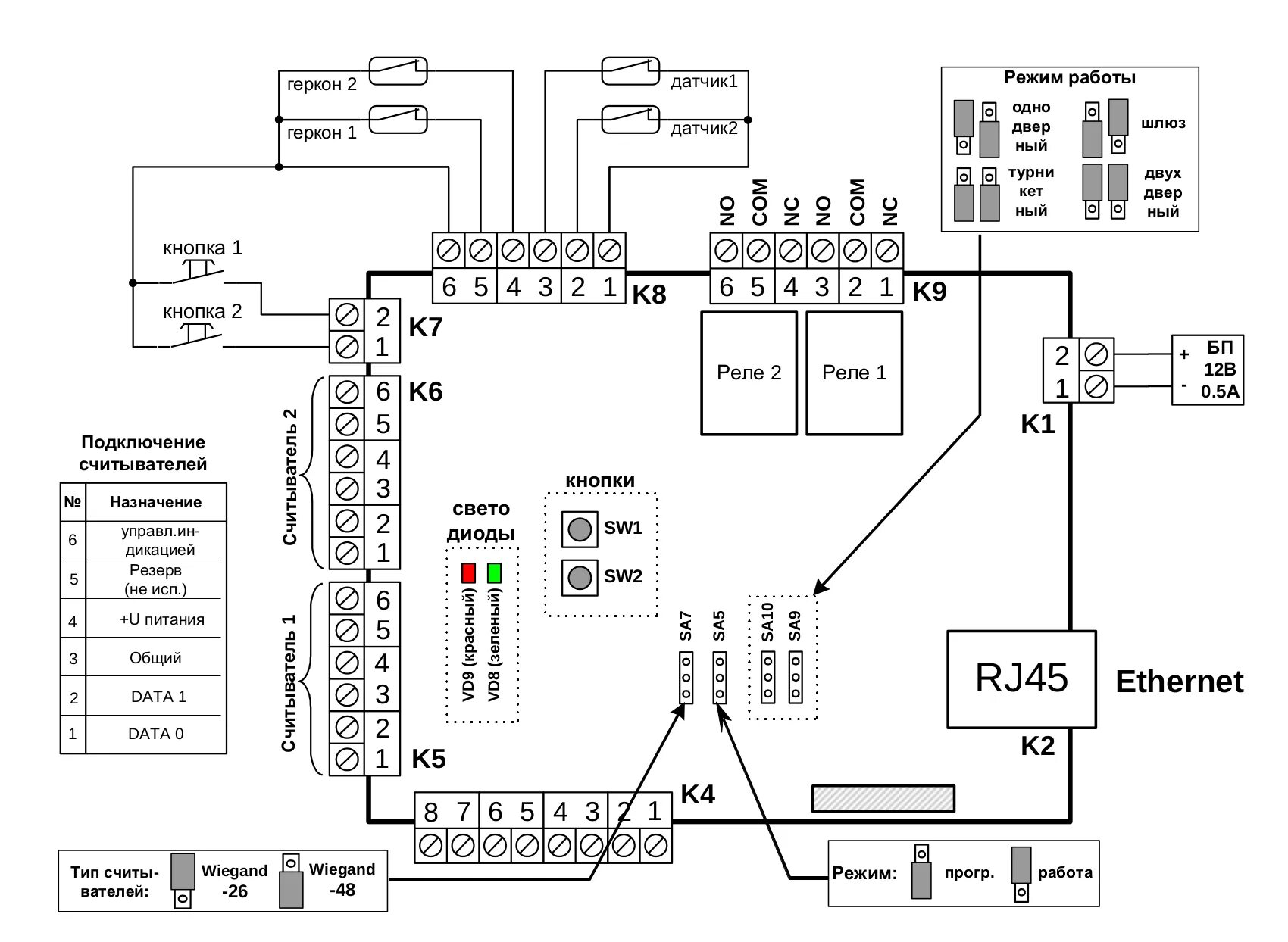
Контроллер gate