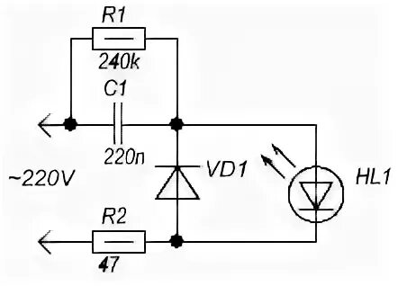
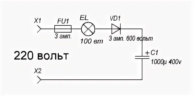
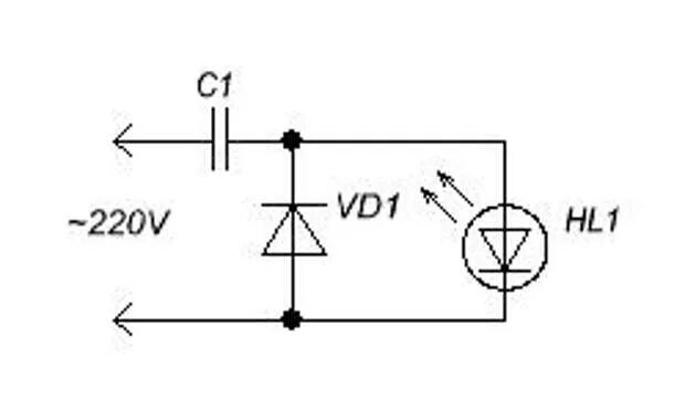
Конденсатор в сети 220 вольт