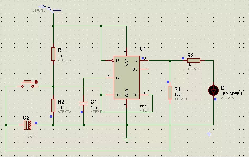
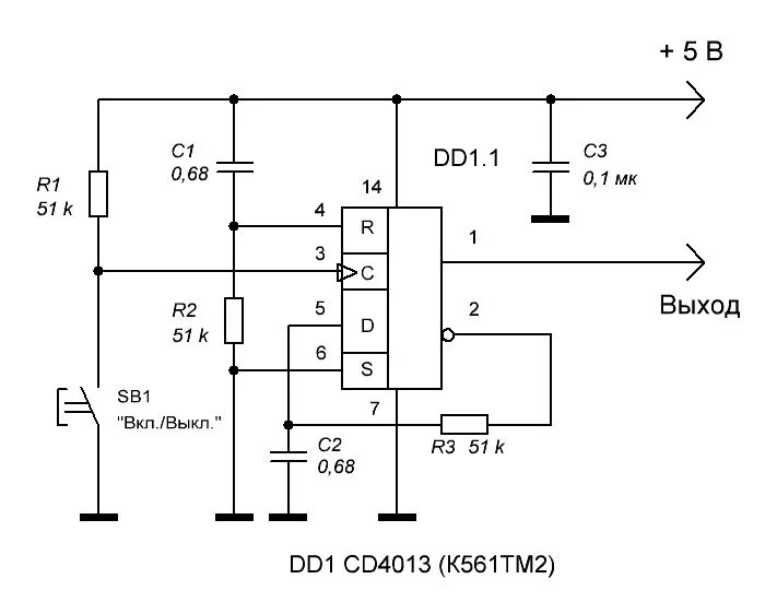
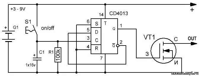
Кнопка триггер