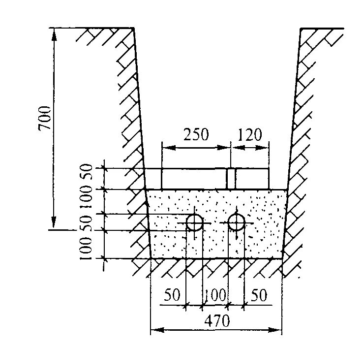
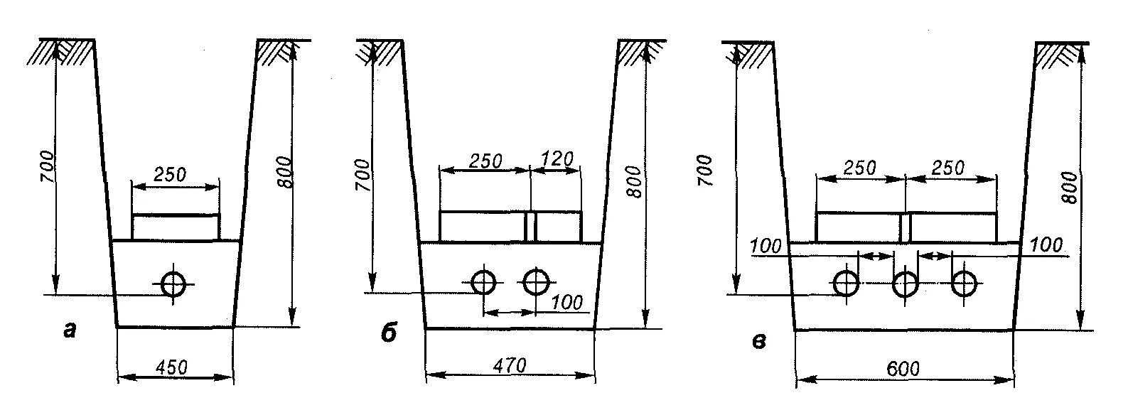
Кл в траншее