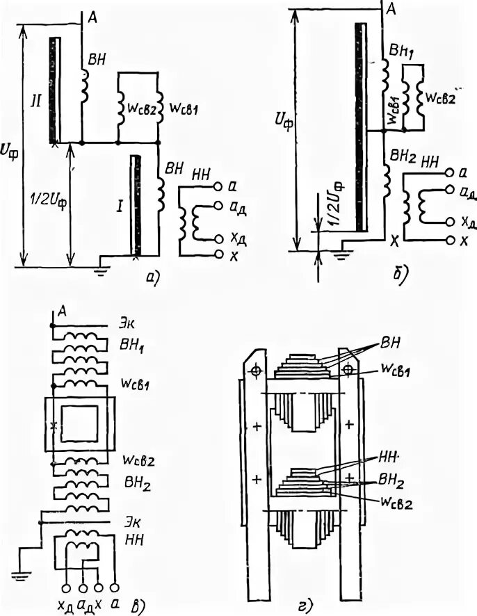
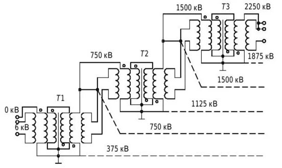
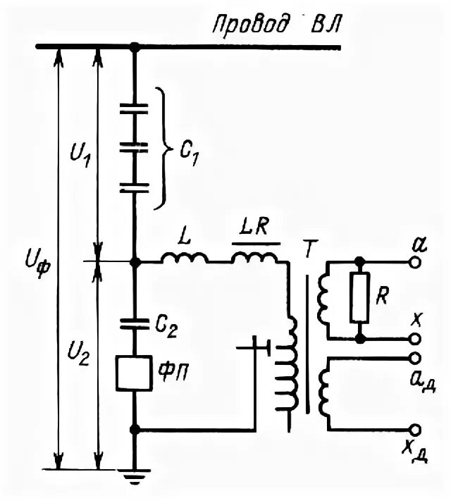
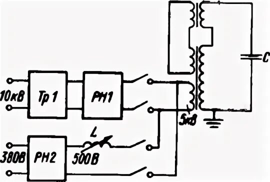
Каскадный трансформатор