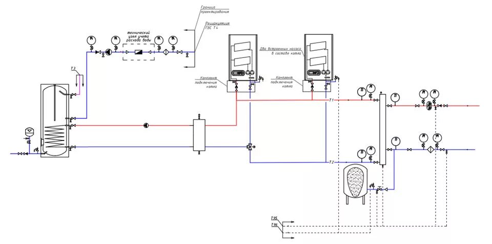
Каскадное управление котлов