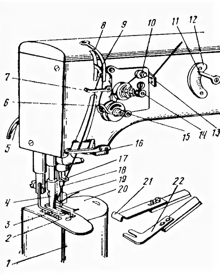
Как заправить промышленную швейную