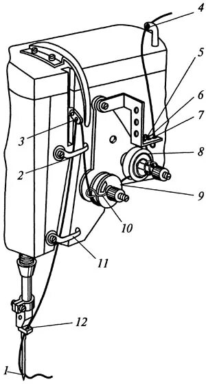
Как заправить подольскую машинку