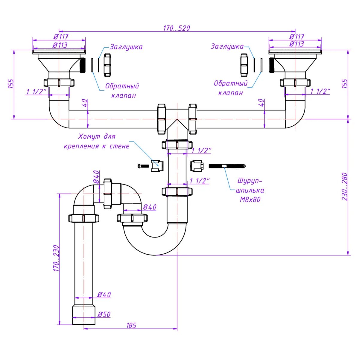
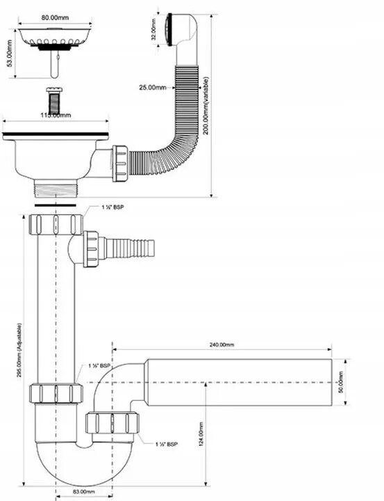
Как установить сифон