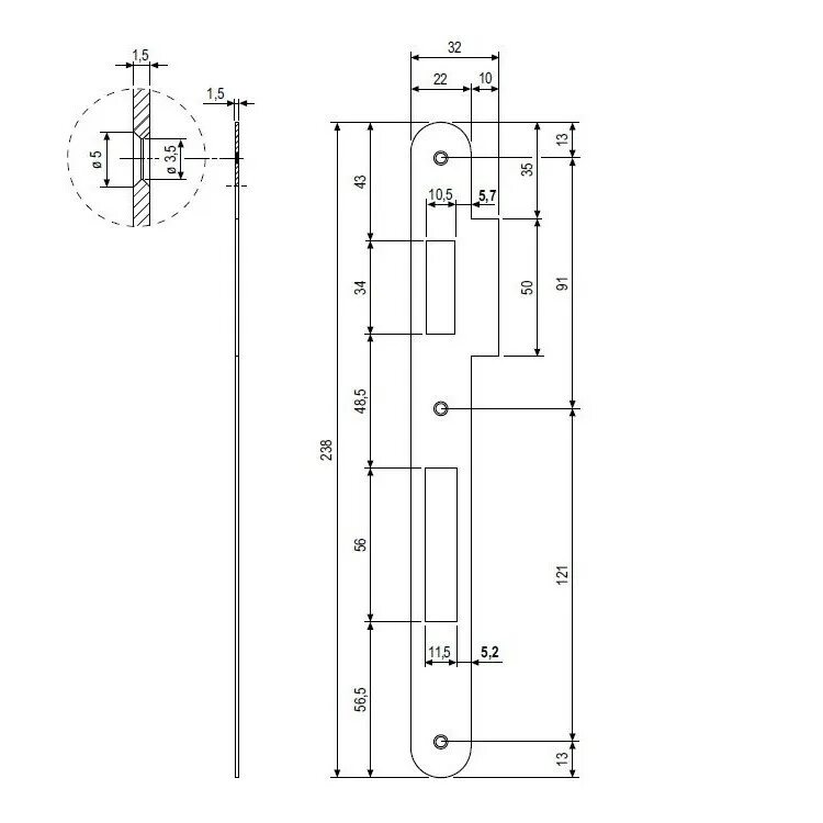
Как установить ответную планку