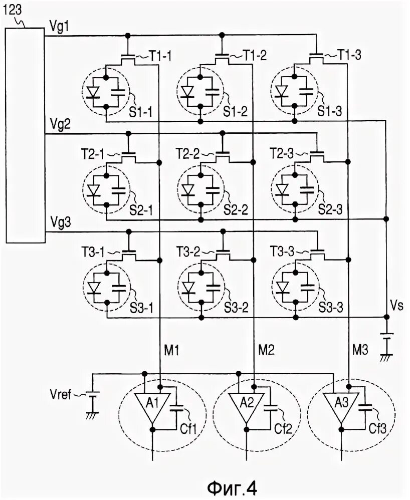
Как управлять е е