Главная
»
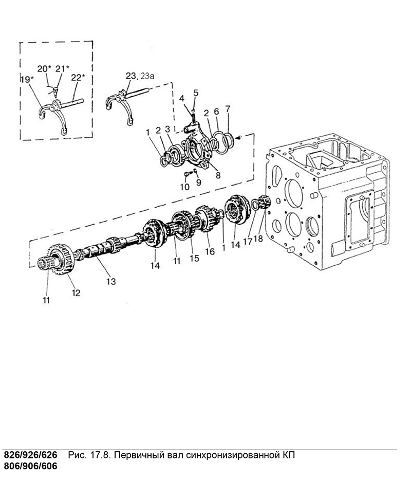
Как собирать коробку передач мтз
Как собирать коробку передач мтз. Как собирать коробку передач мтз
« Предыдущее
24 / 40
Следующее »