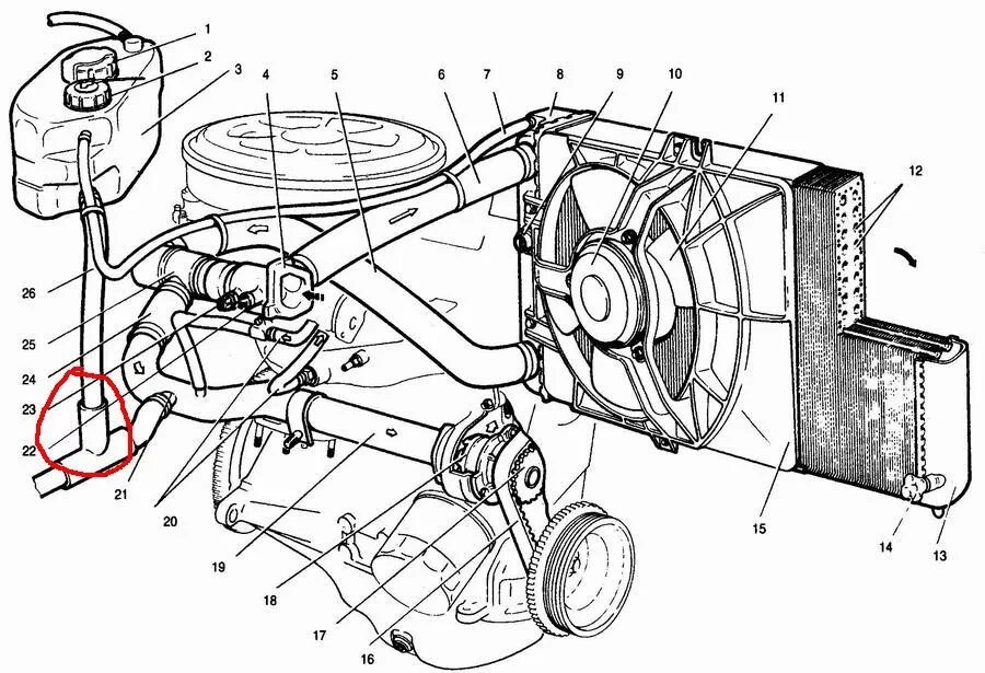
Как развоздушить систему охлаждения