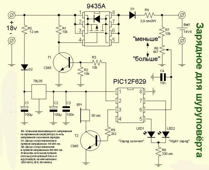
Как работает зарядное устройство