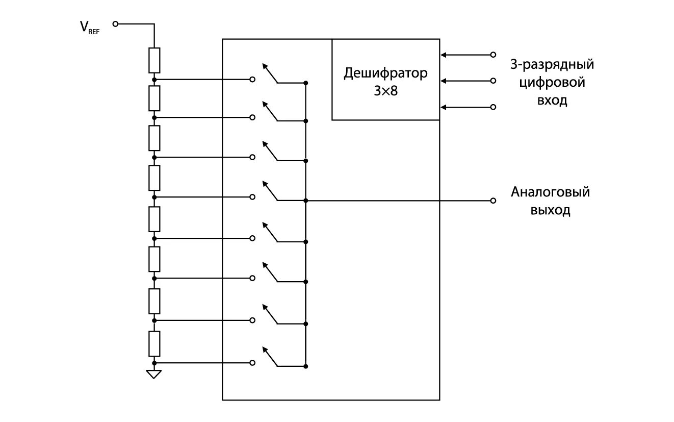
Как работает цап