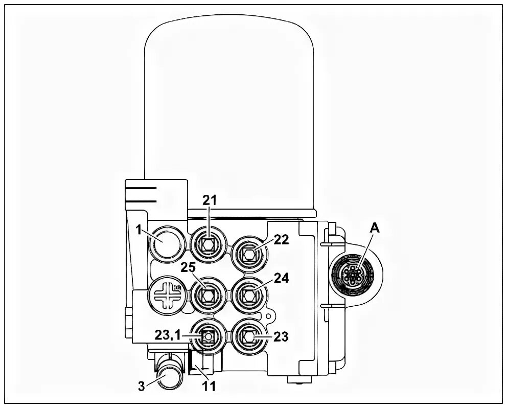
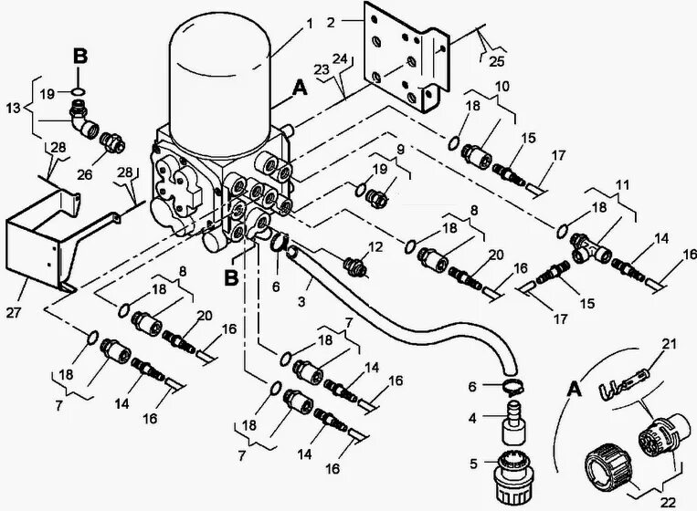
Как работает мана