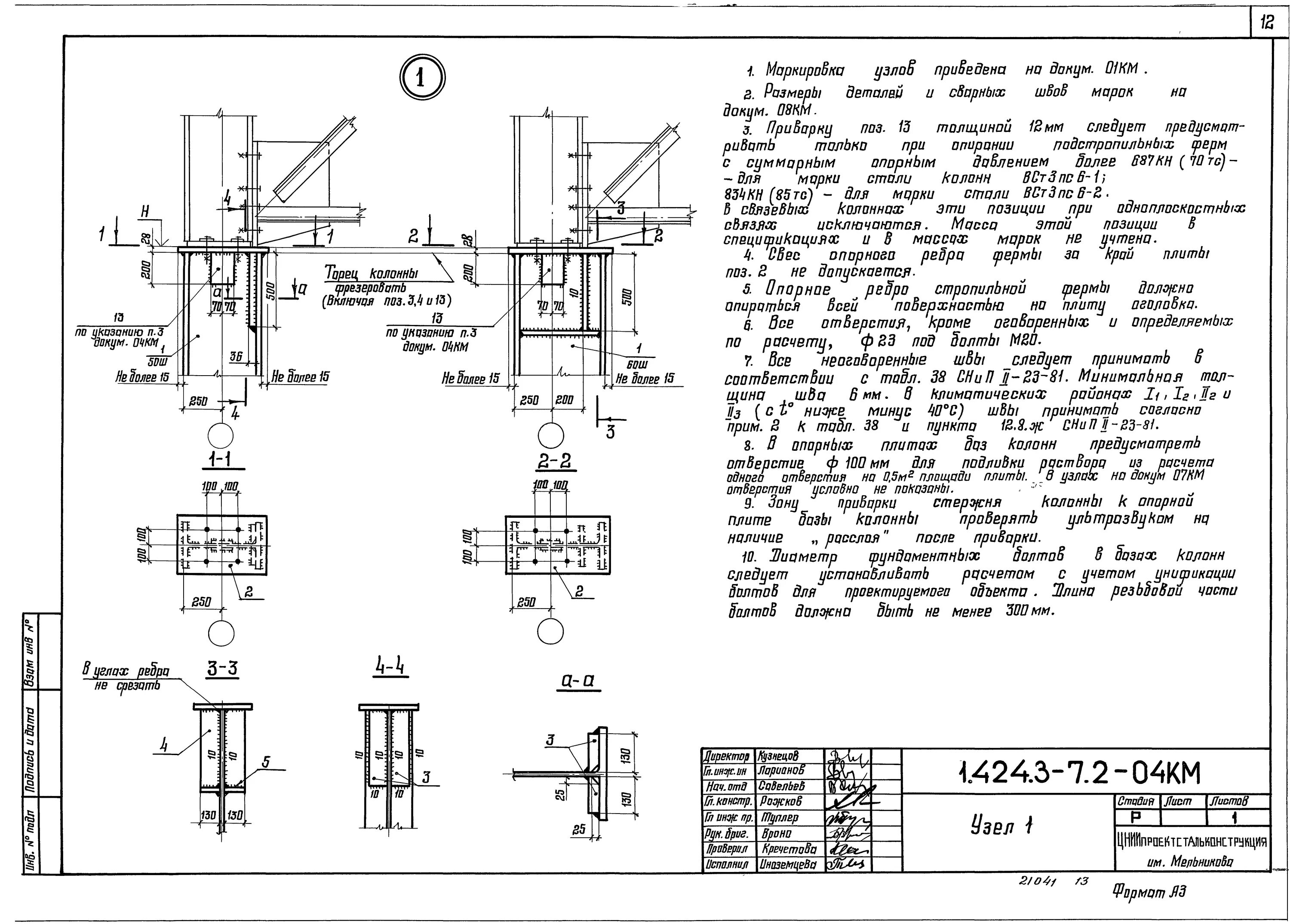
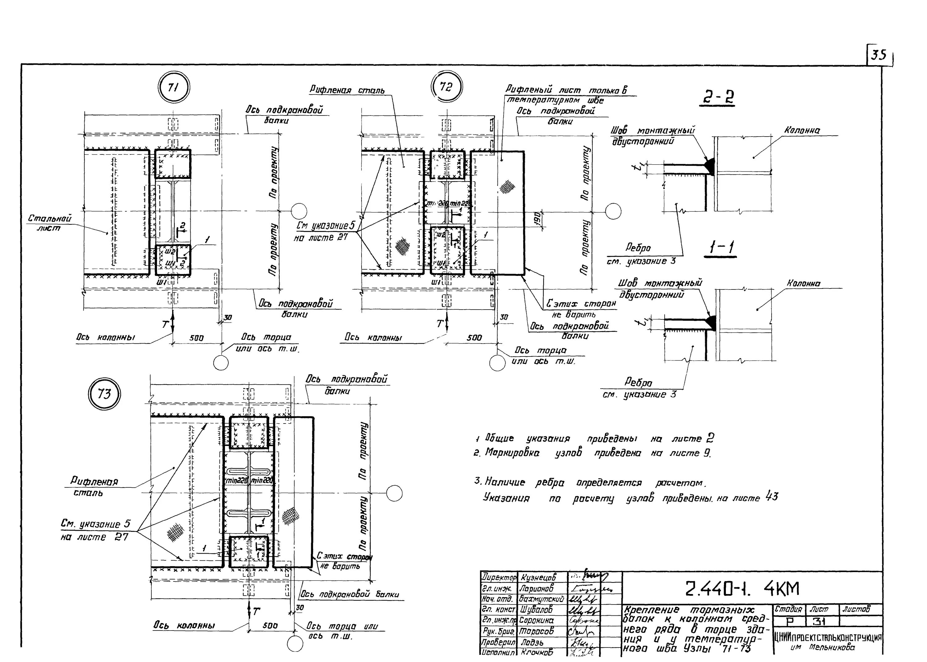
Как пройти доп 2 440