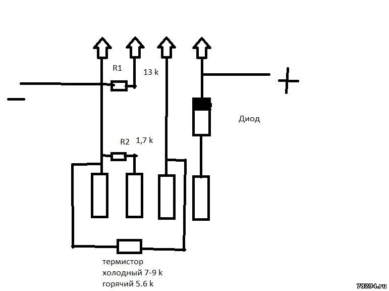
Как проверить термистор