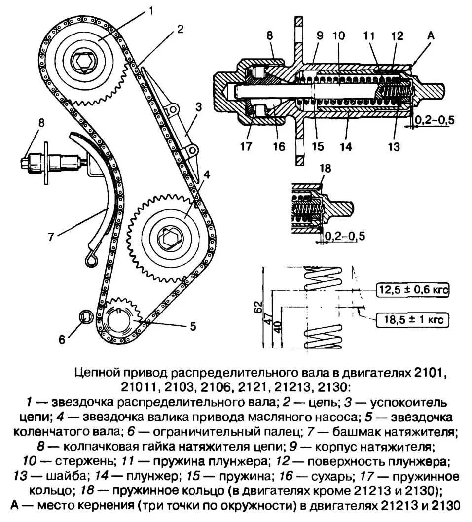
Как проверить натяжитель цепи