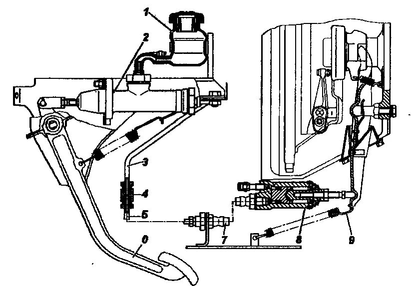
Как прокачать цилиндр сцепления