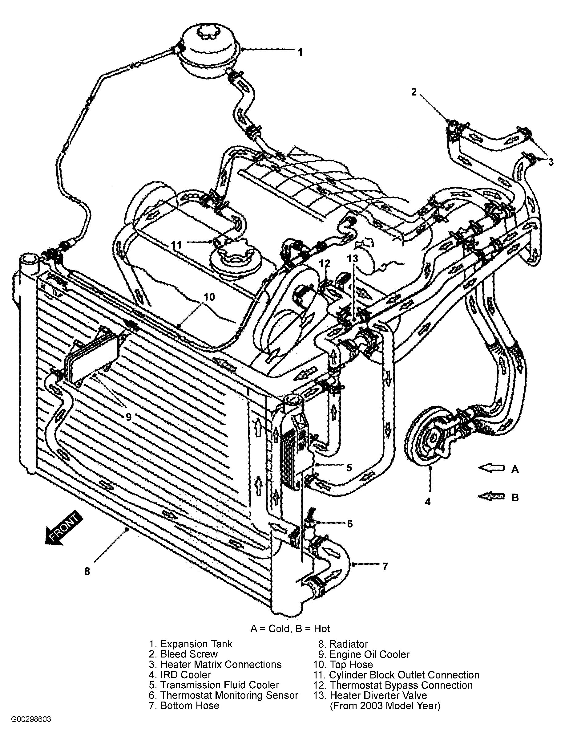
Как прокачать систему охлаждения двигателя