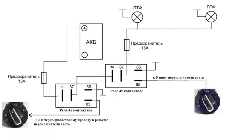
Как правильно подключить противотуманные фары через реле