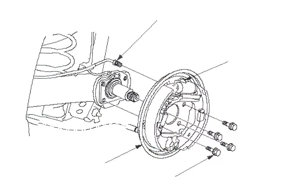
Как поменять заднюю ось