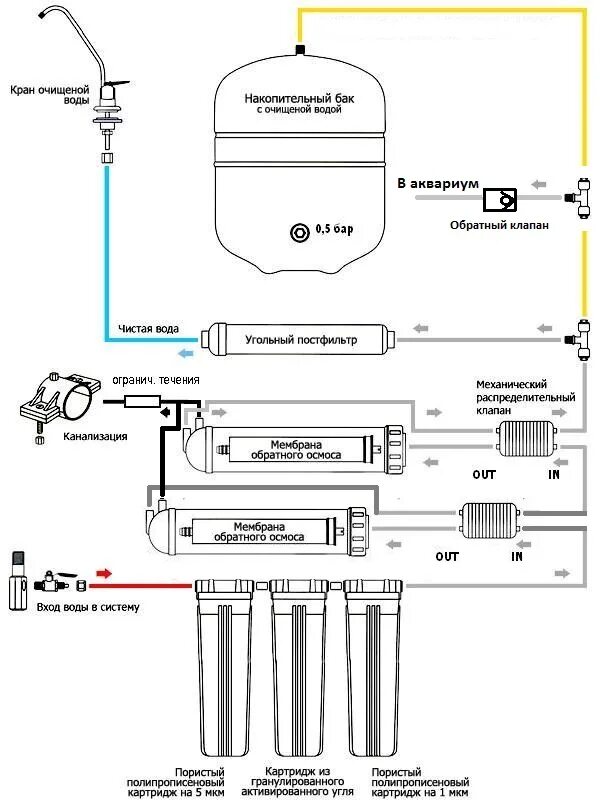
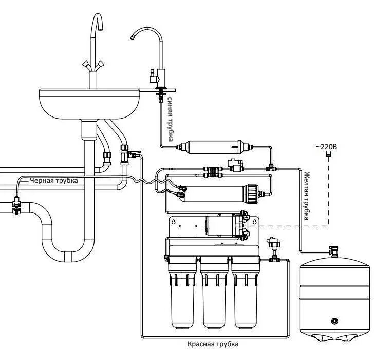
Как подсоединить осмос