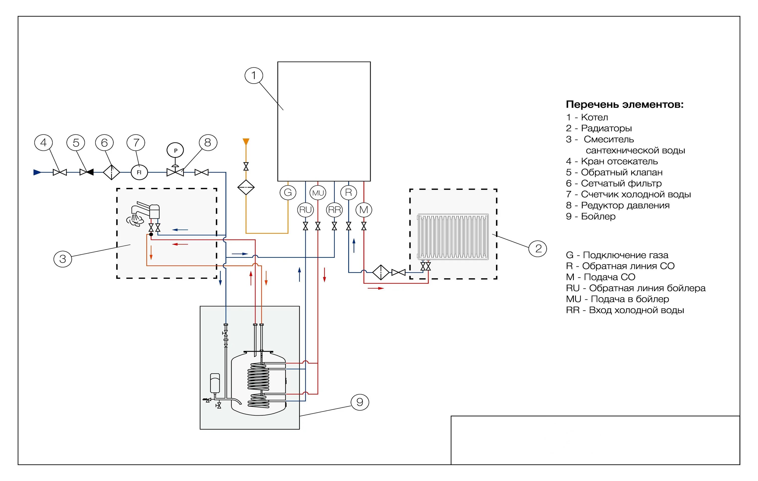
Как подсоединить двухконтурный котел