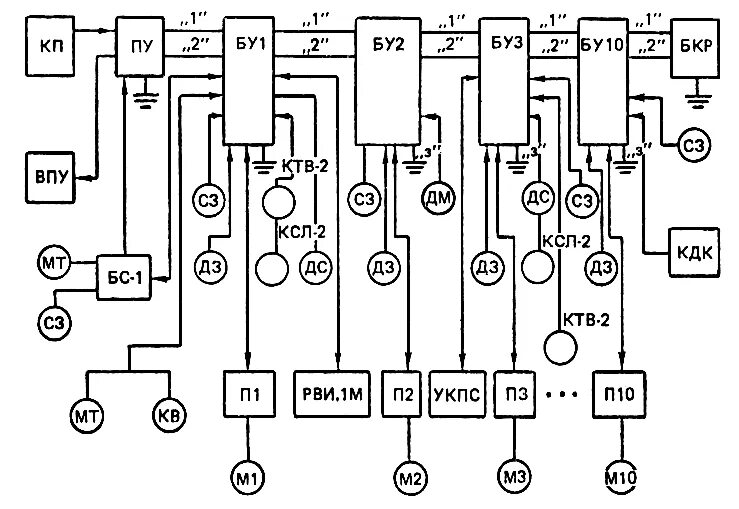
Как подключить транспортер