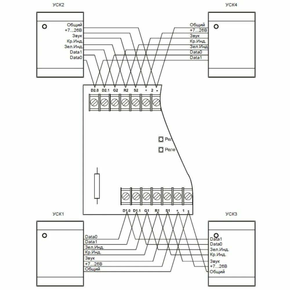
Как подключить сигму