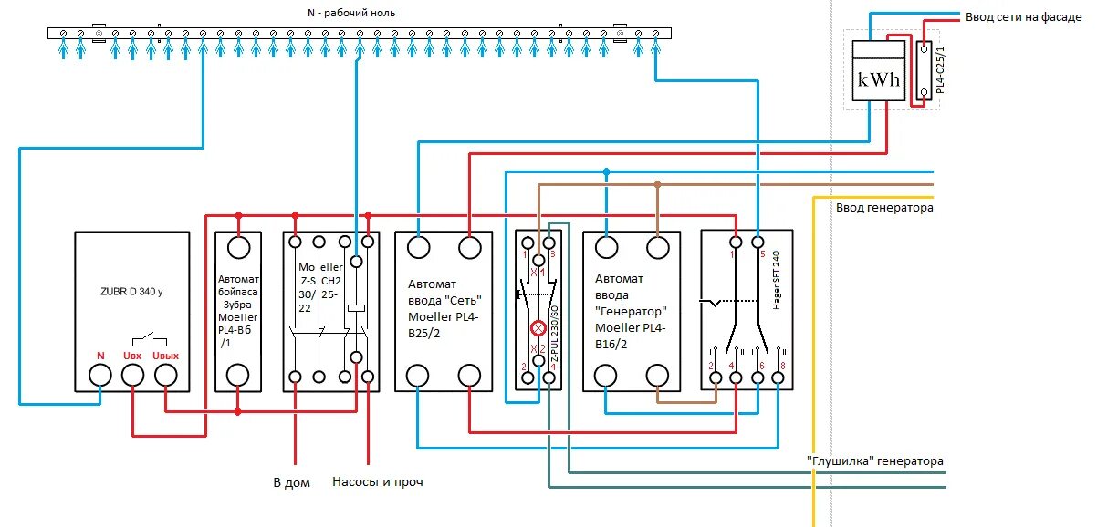
Как подключить сети к дому