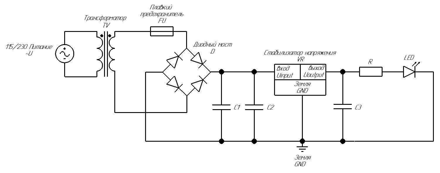
Как подключить неон