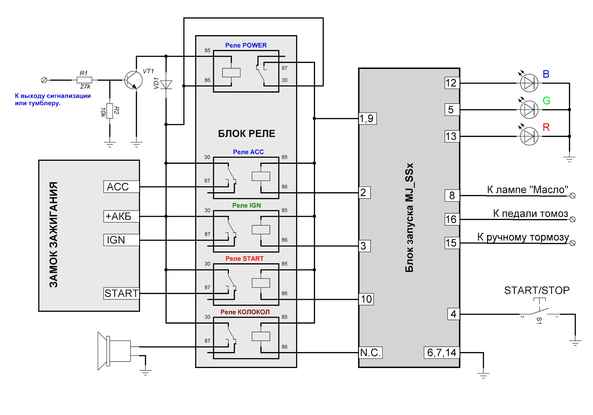
Как подключить кнопку запуска