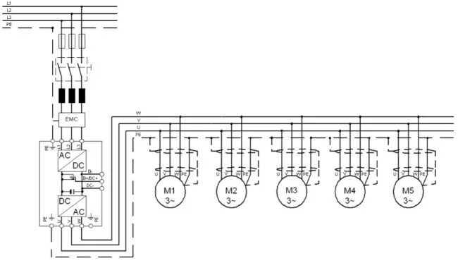
Как подключить два двигателя