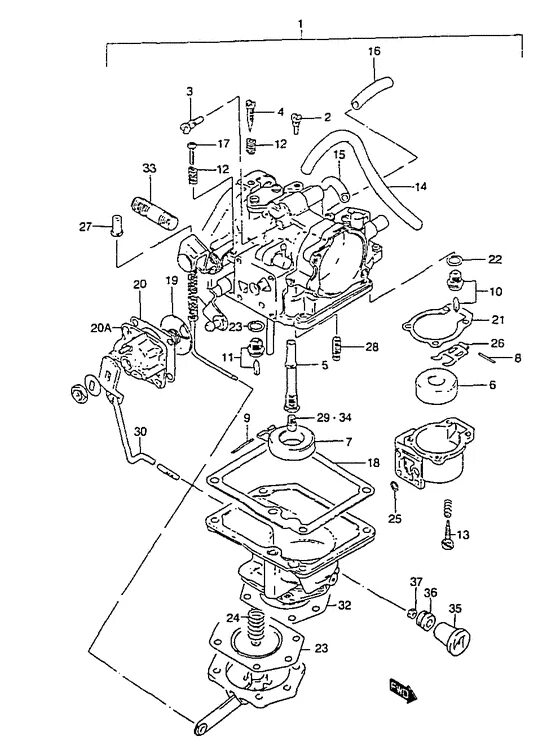
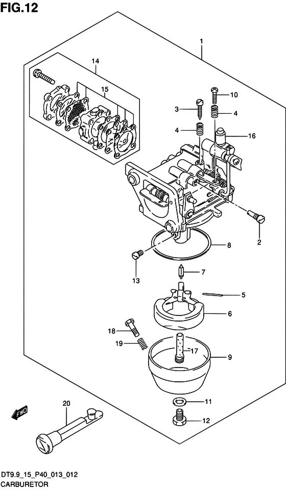
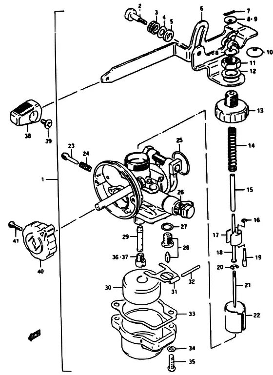
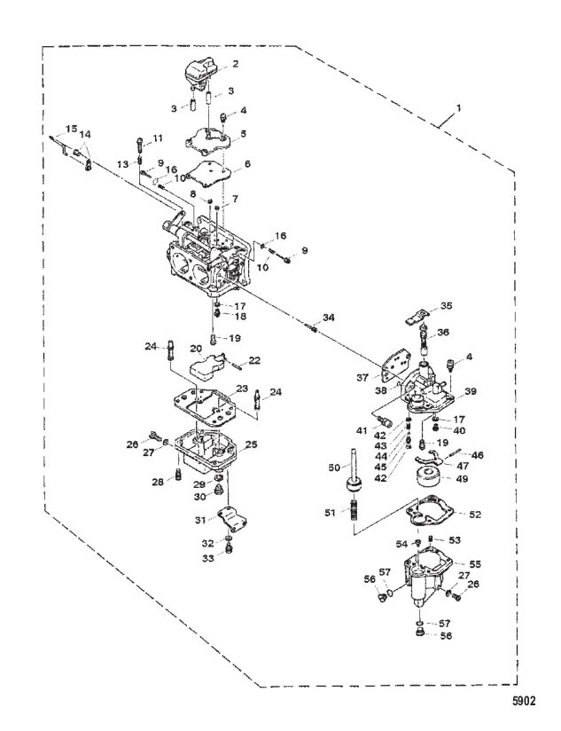
Как почистить карбюратор на лодочном моторе