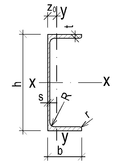
Как пишется швеллер