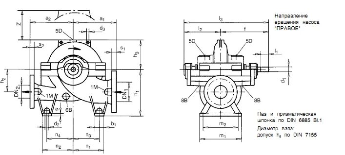
Как определить какого вращения насос