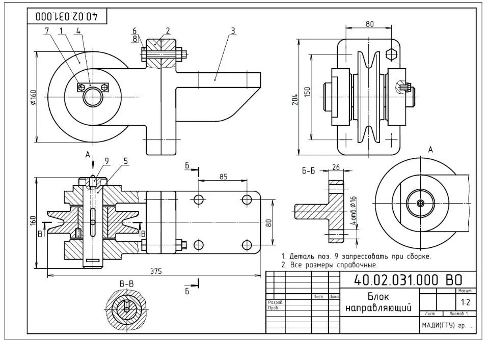
Как называется данная деталь