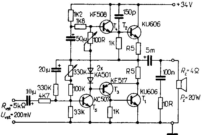
Как использовать усилитель