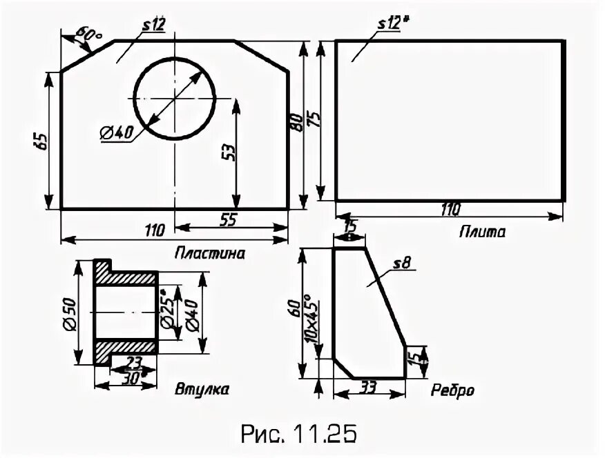
Как читать чертежи сварщику