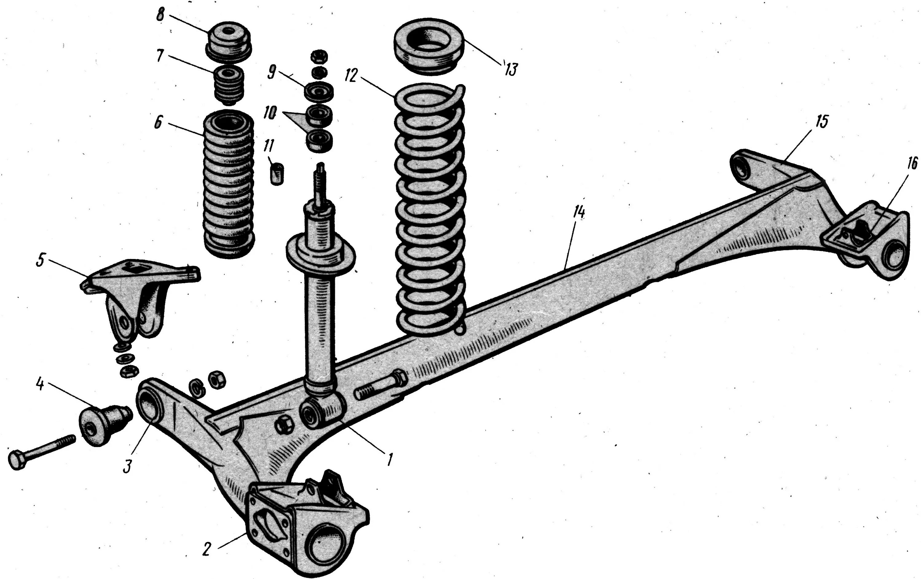
Из чего состоит задний