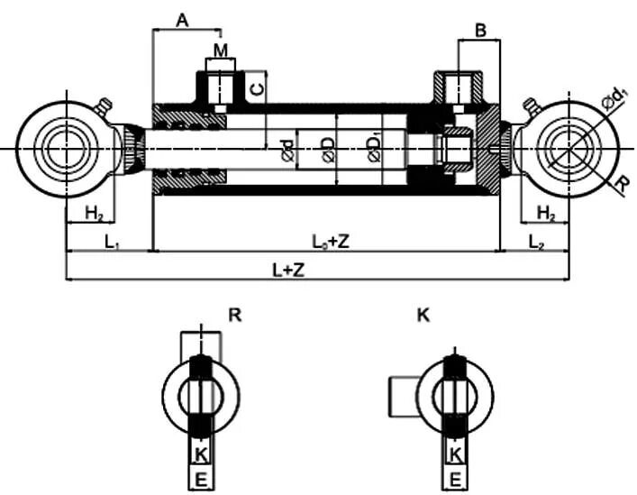
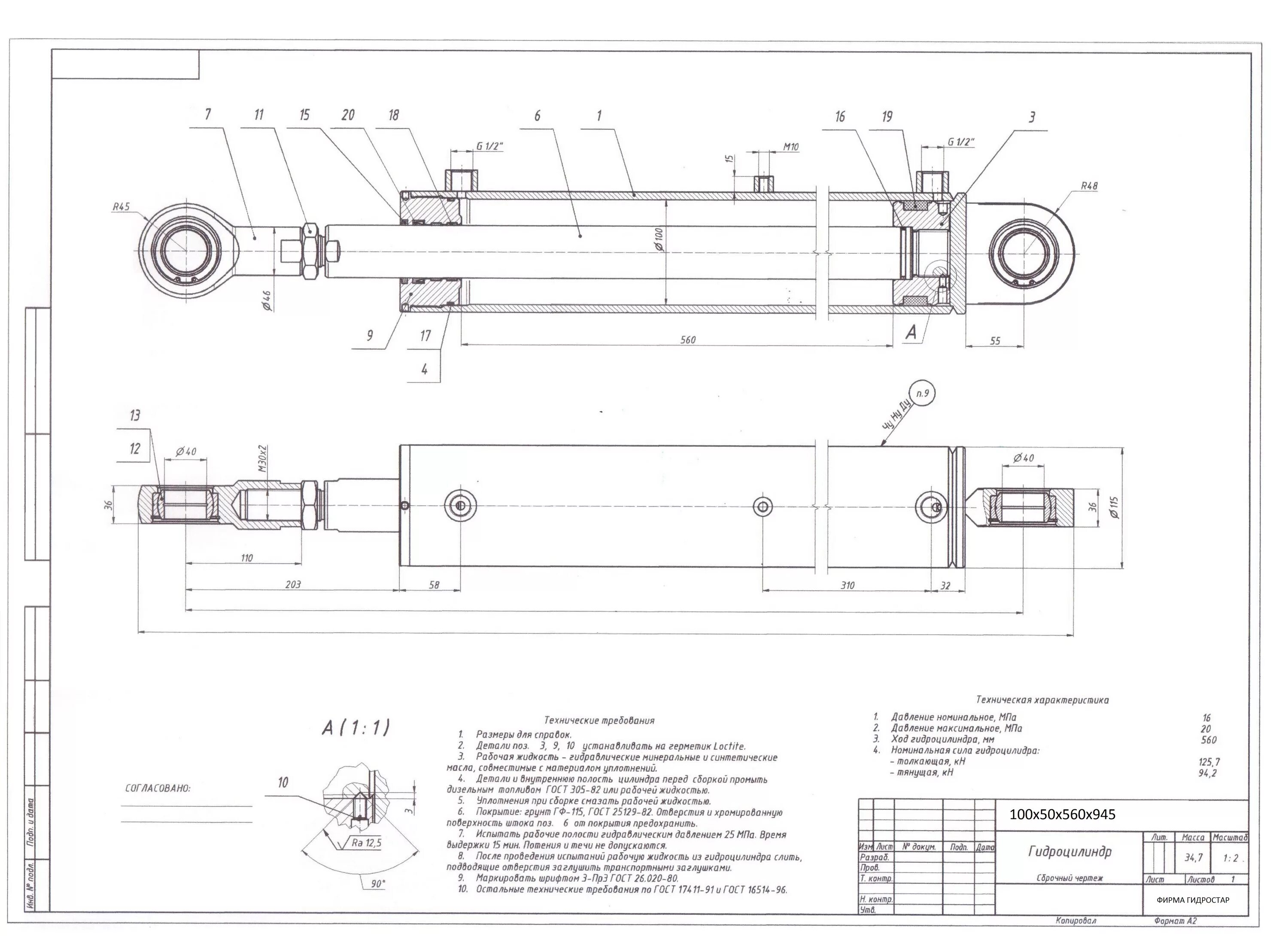
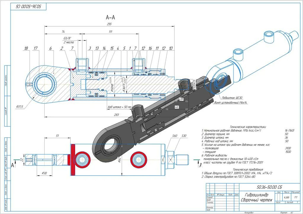
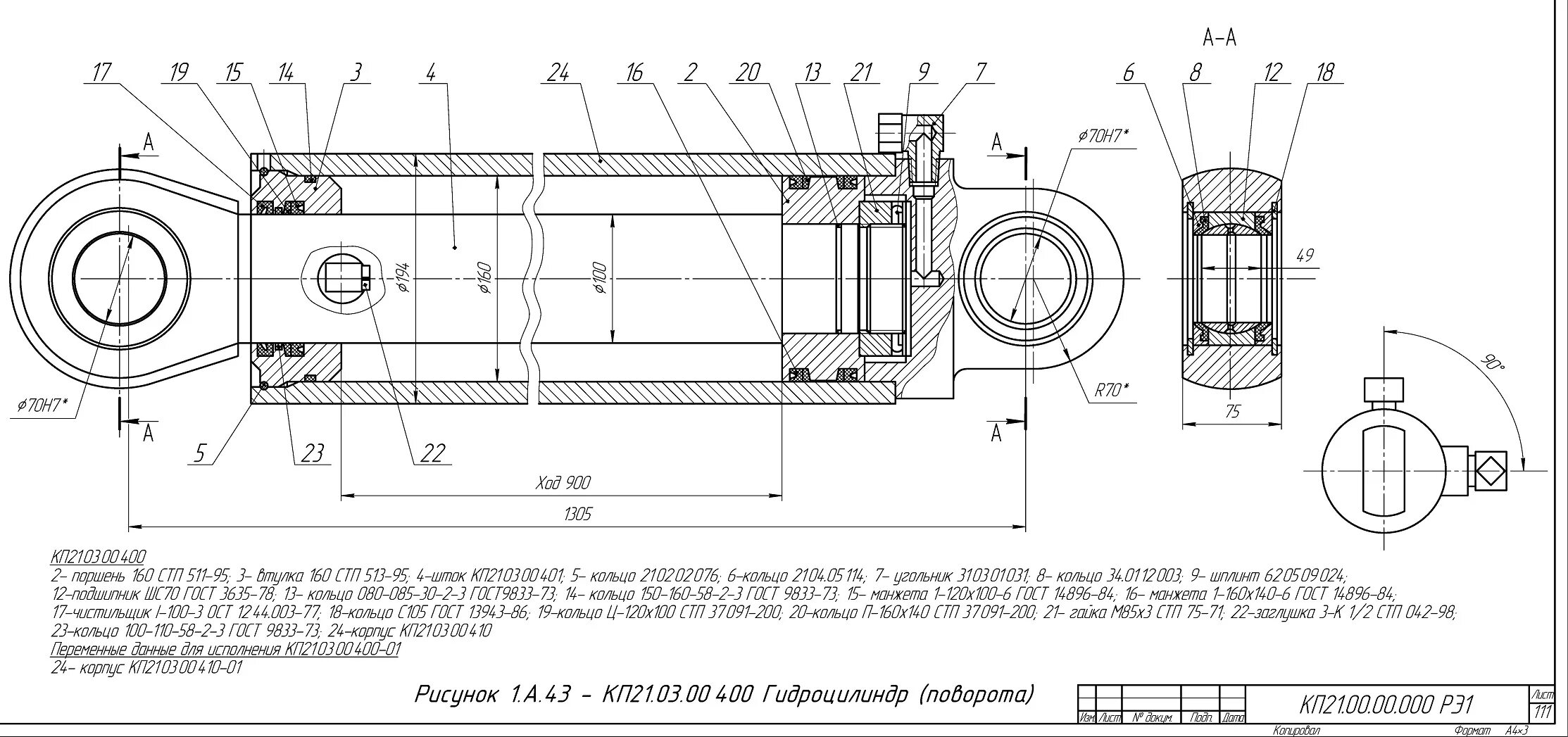
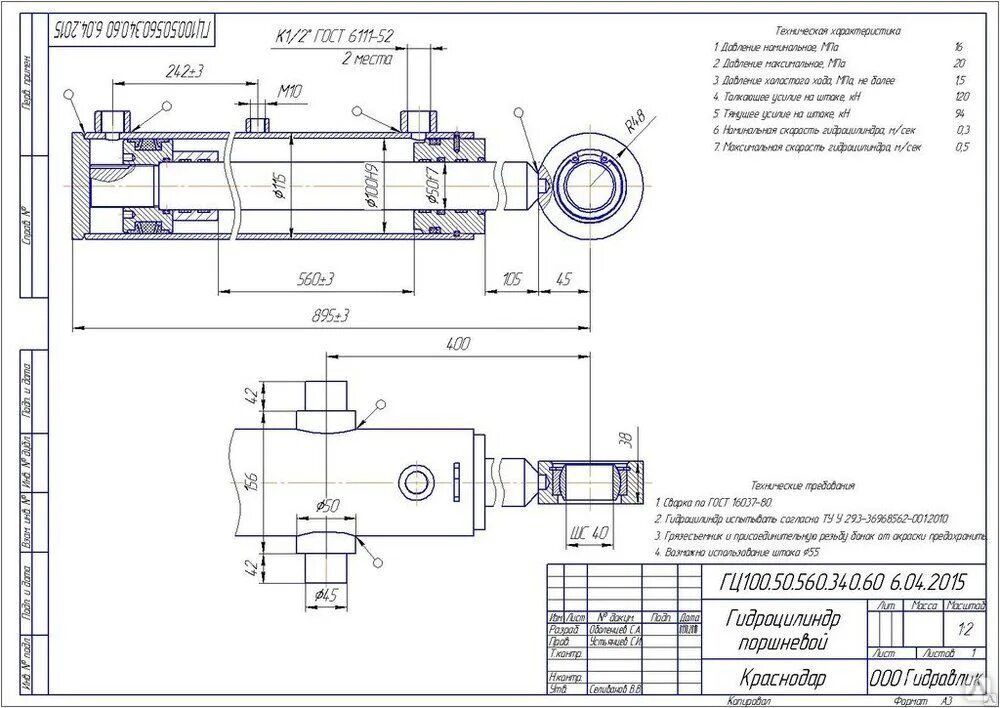
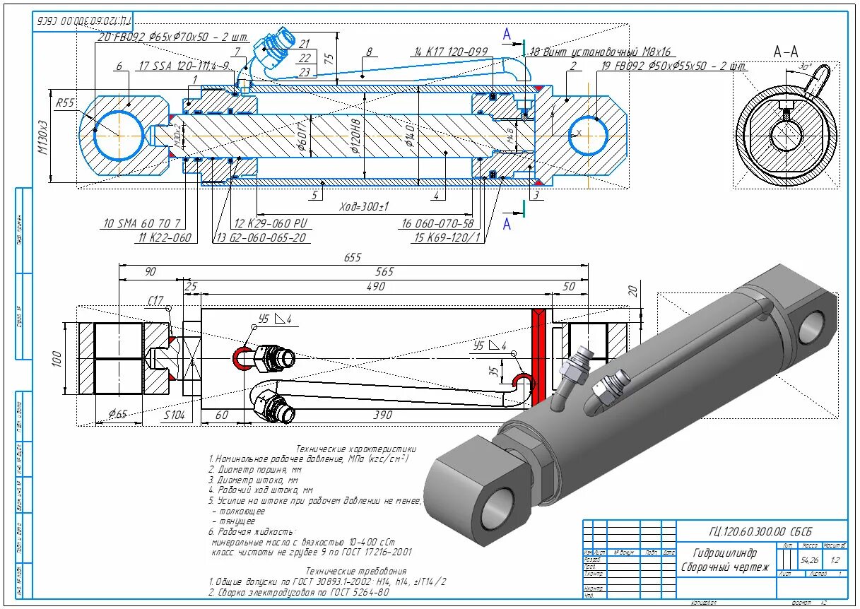
Из чего состоит гидроцилиндр