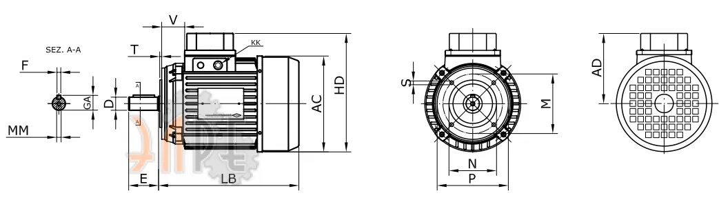
Исполнение b