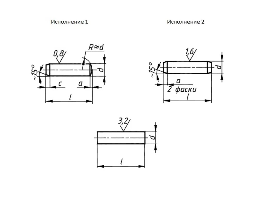
Исполнение 1 и 2 отличие