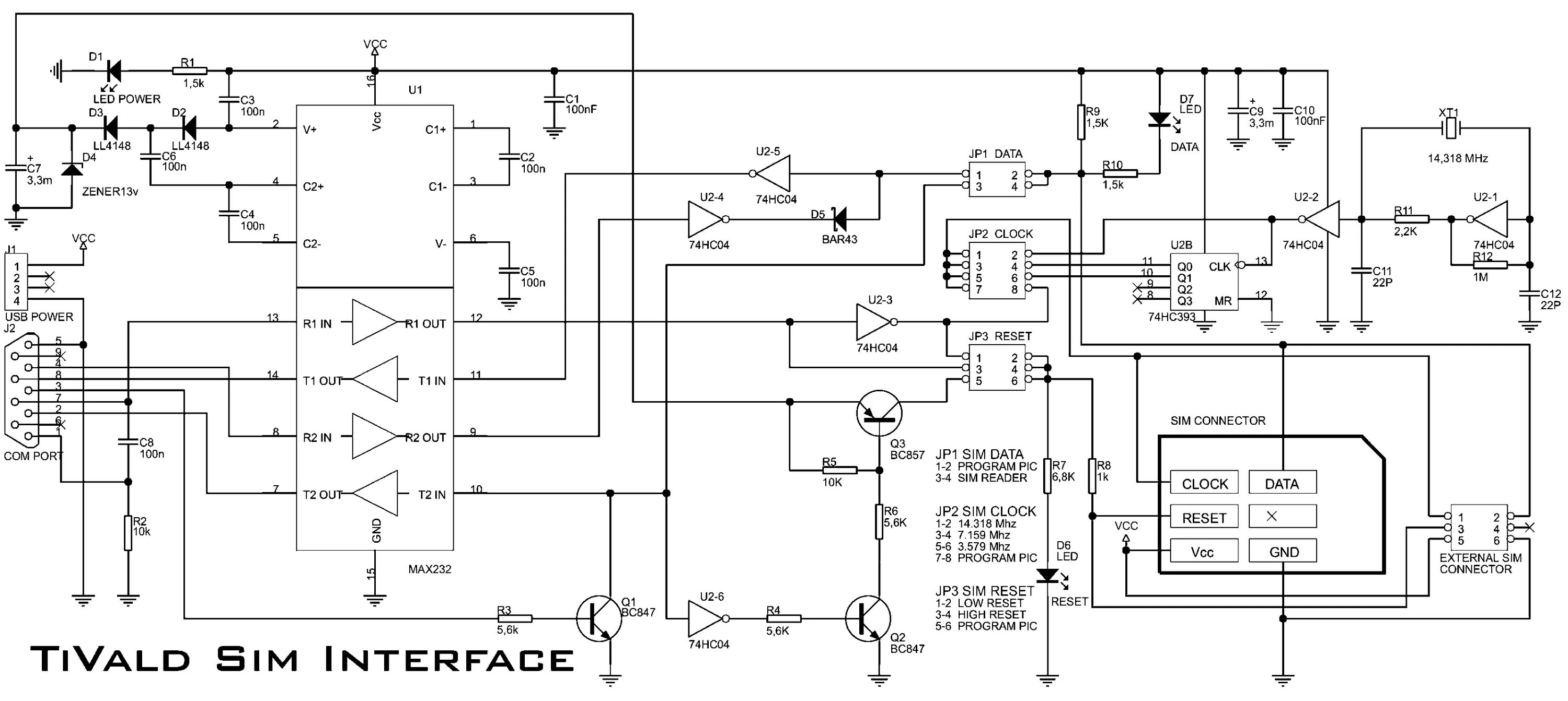
Интерфейс sim карты