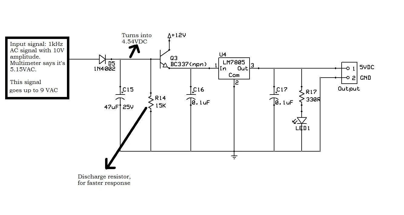
Input signal not found