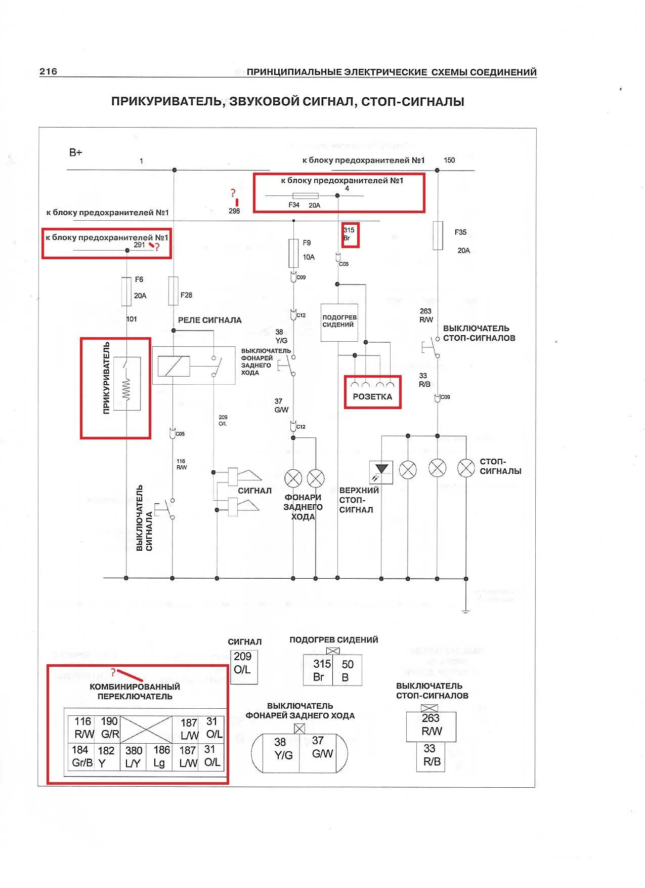
Hover h3 схема