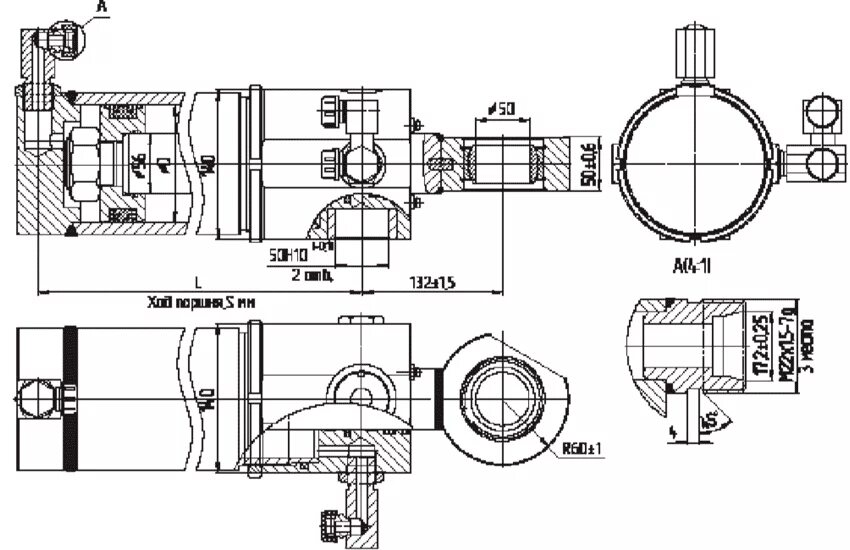
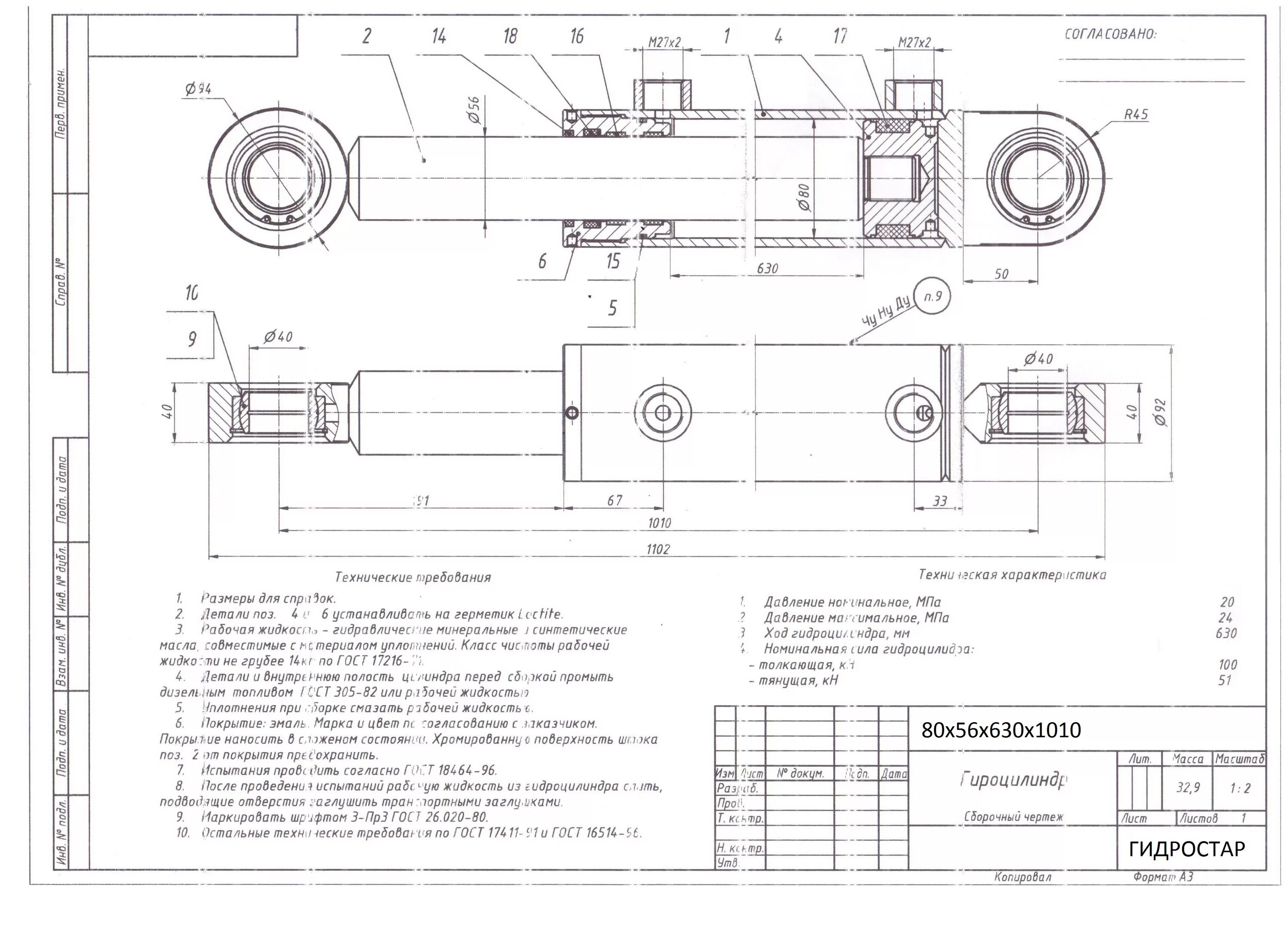
Гидроцилиндр экскаватора эо