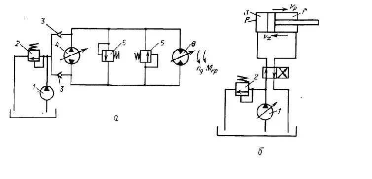
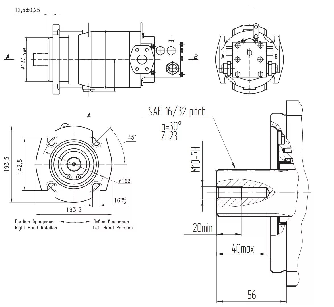
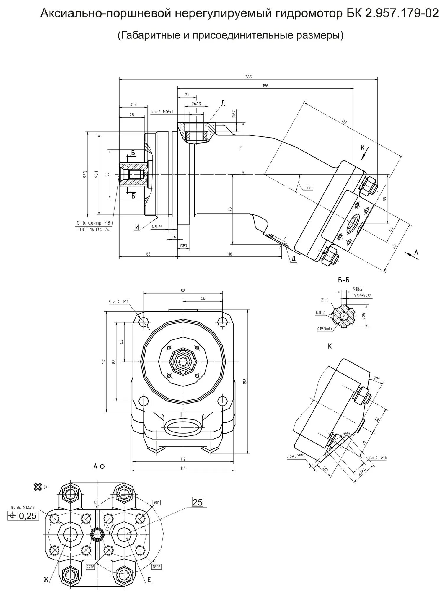
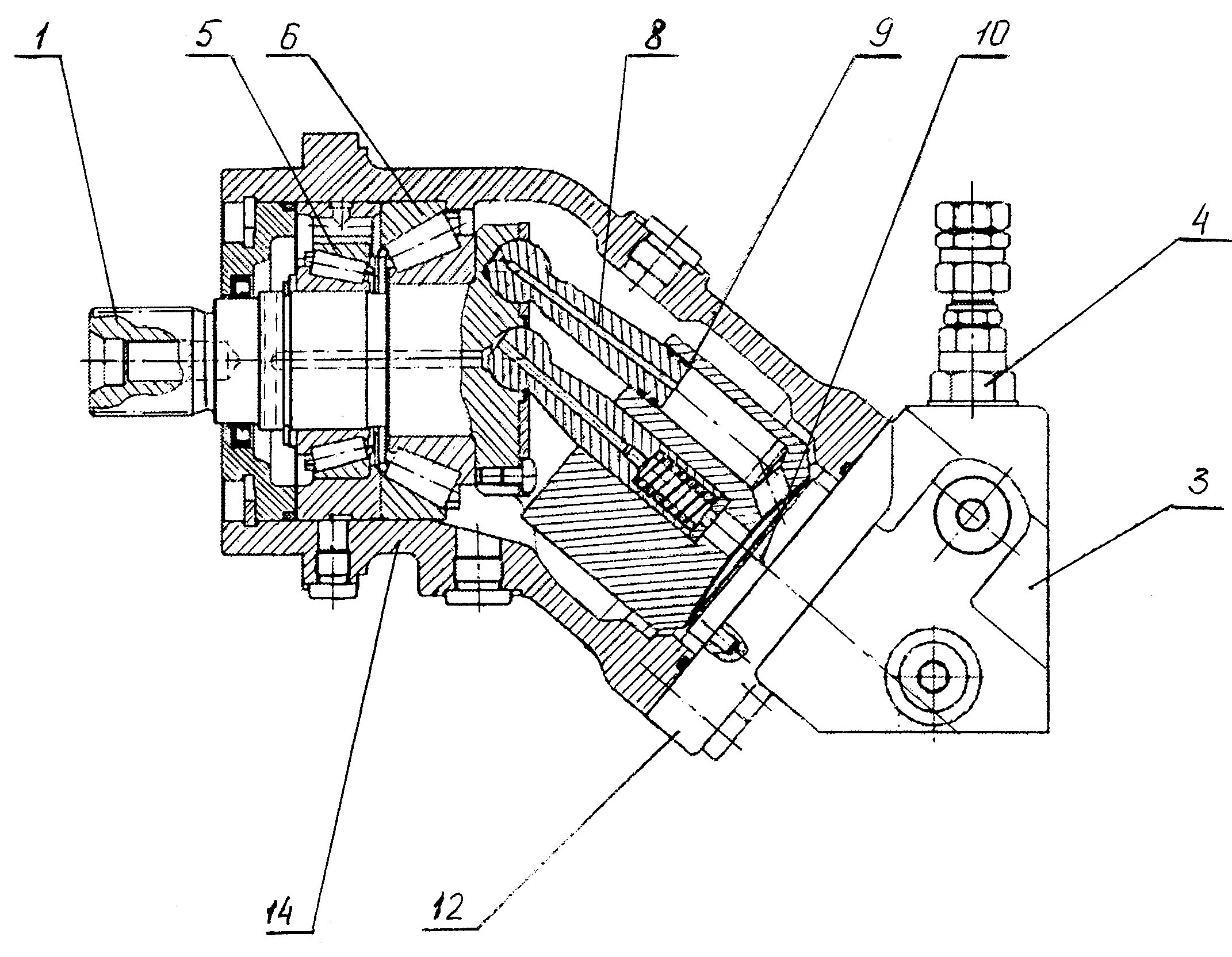
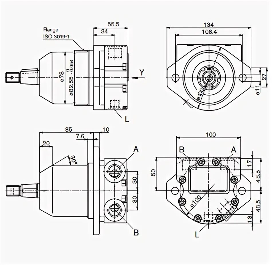
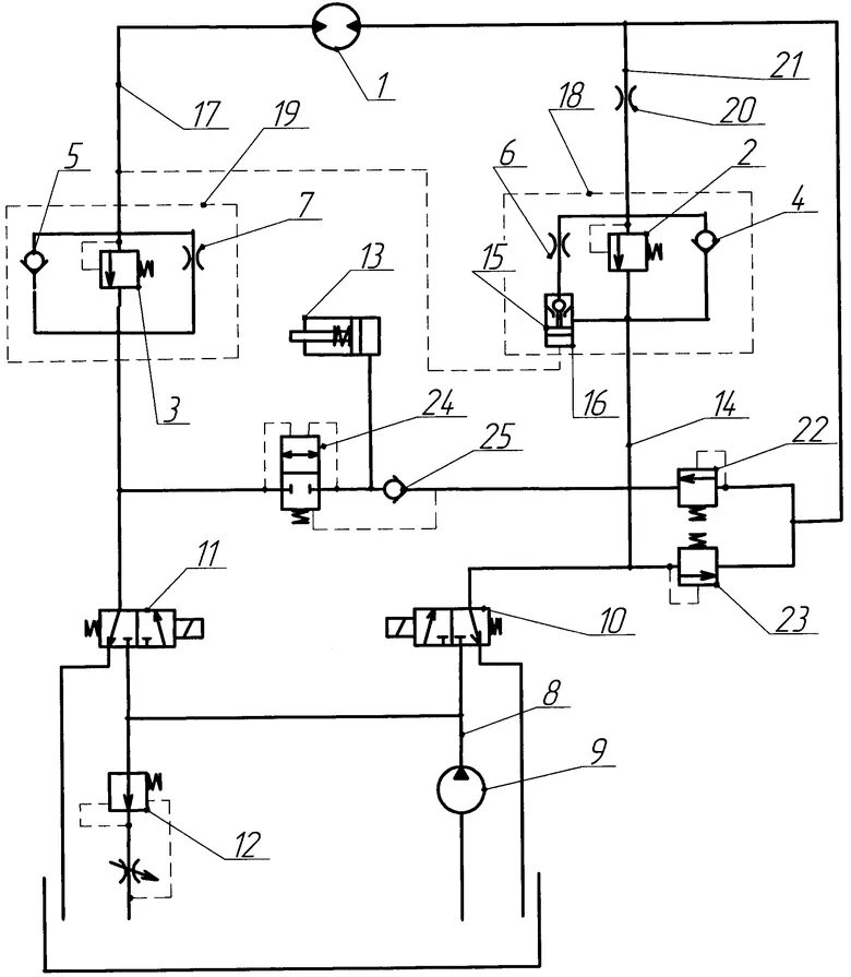
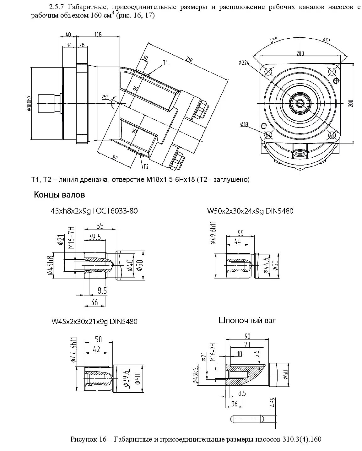
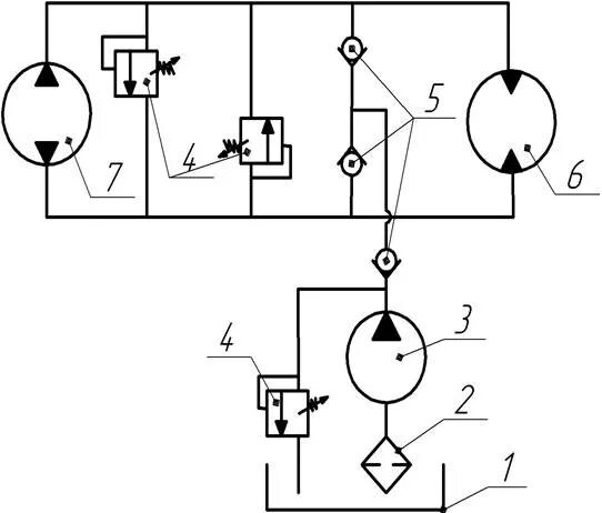
Гидромотор на схеме