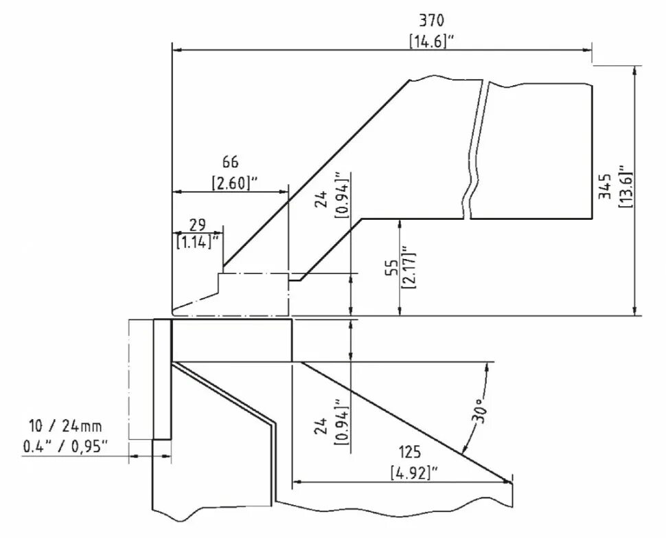
Гибочные сегменты